Scheda tecnica per MAX USA CORP. TA116A/22-9

modello 2024-2026 Europe DE,EN,FR,IT,ES

La scheda tecnica (PDF) verrà inviata alla tua mail dopo averla insierita qui:

  • Scheda tecnica originale del produttore
  • Maggiori informazioni
  • Specifica dettagliata

*Condizioni generali

The privacy policy of the company LECTURA GmbH applies, which also contains further information about possibilities for correction, deletion and blocking of my data.

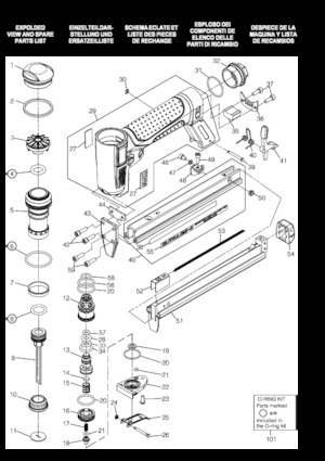
Sparachiodi e Graffettatrici MAX USA CORP. TA116A/22-9



mostrare specifiaczione dettagliata