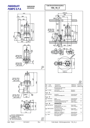
Scheda tecnica per Faggiolati G 418 R3V3-S100AA2

modello 1998-2026 Europe DE

La scheda tecnica (PDF) verrà inviata alla tua mail dopo averla insierita qui:

  • Scheda tecnica originale del produttore
  • Maggiori informazioni
  • Specifica dettagliata

*Condizioni generali

The privacy policy of the company LECTURA GmbH applies, which also contains further information about possibilities for correction, deletion and blocking of my data.

Pompe fognarie Faggiolati G 418 R3V3-S100AA2



mostrare specifiaczione dettagliata